碳源計算公式
01
碳源選擇
通常反硝化可利用的碳源分為快速碳源(如甲醇、乙酸、乙酸鈉等)、慢速碳源(如淀粉、蛋白質、葡萄糖等)和細胞物質。不同的外加碳源對系統的反硝化影響不同,即使外加碳投加量相同,反硝化效果也不同。
與慢速碳源和細胞物質相比,甲醇、乙醇、乙酸、乙酸鈉等快速碳源的反硝化速率最快,因此應用較多。表1 對比了四種快速碳源的性能。

02
碳源投加量計算
1)氮平衡
進水總氮和出水總氮均包括各種形態的氮。進水總氮主要是氨氮和有機氮,出水總氮主要是硝態氮和有機氮。
進水總氮進入到生物反應池,一部分通過反硝化作用排入大氣,一部分通過同化作用進入活性污泥中,剩余的出水總氮需滿足相關水質排放要求。
2)碳源投加量計算
同化作用進入污泥中的氮按BOD5去除量的5%計,即0.05(Si-Se),其中Si、Se分別為進水和出水的BOD5濃度。
反硝化作用去除的氮與反硝化工藝缺氧池容大小和進水BOD5濃度有關。
反硝化設計參數的概念,是將其定義為反硝化的硝態氮濃度與進水BOD5濃度之比,表示為Kde(kgNO3--N/kgBOD5)。
由此可算出反硝化去除的硝態氮
[NO3--N]=KdeSi。
從理論上講,反硝化1kg 硝態氮消耗2.86kgBOD5,即:
Kde=1/2.86(kg NO3--N/kgBOD5)
=0.35(kg NO3--N/kgBOD5)
污水處理廠需消耗外加碳源對應氮量的計算公式為:
N=Ne計-NsNe計=Ni-KdeSi-0.05(Si-Se)
式中:
N—需消耗外加碳源對應氮量,mg/L;
Ne 計—根據設計的污水水質和設計的工藝參數計算出能達到的出水總氮,mg/L;
Ns— 二沉池出水總氮排放標準,mg/L;
Kde—0.35,kg
NO3--N/kgBOD5;
Si—進水BOD5濃度,mg/L;
Se—出水BOD5濃度,mg/L;
Ne計需通過建立氮平衡方程計算,生化反應系統的氮平衡見圖1。

通過計算出的氮量,折算成需消耗的碳量。
除磷計算公式
01
除磷藥劑投加量的計算
國內較常用的是鐵鹽或鋁鹽,它們與磷的化學反應如式(1)?(2)?
Al3++PO3-4→AlPO4↓(1)
Fe3++PO3-4→FePO4↓(2)
與沉淀反應相競爭的反應是金屬離子與OH-的反應,反應式如式(3)?(4)?
Al3++3OH-→Al(OH)3↓(3)
Fe3++3OH-→Fe(OH)3↓(4)
由式(1)和式(2)可知去除1mol的磷酸鹽,需要1mol的鐵離子或鋁離子?
由于在實際工程中,反應并不是100%有效進行的,加之OH-會參與競爭,與金屬離子反應,生成相應的氫氧化物,如式(3) 和式(4),所以實際化學沉淀藥劑一般需要超量投加,以保證達到所需要的出水 P濃度?
《給水排水設計手冊》第5冊和德國設計規范中都提到了同步沉淀化學除磷可按1mol磷需投加1.5mol的鋁鹽 (或鐵鹽)來考慮?
為了計算方便,實際計算中將摩爾換算成質量單位?如:
1molFe=56gFe,1 molAl=27gAl,1molP=31gP。
也就是說去除1kg磷,當采用鐵鹽時需要投加:
1.5×(56/31)=2.7 kgFe/kgP;
當采用鋁鹽時需投加:1.5×(27/31)= 1.3kgAl/kgP?
02
需要輔助化學除磷去除的磷量計算
同步沉淀化學除磷系統中,想要計算出除磷藥劑的投加量,關鍵是先求得需要輔助化學除磷去除的磷量?對于已經運行的污水處理廠及設計中的污水處理廠其算法有所不同?
1)已經運行的污水處理廠 PPrec=PEST-PER
(5) 式中
PPrec——需要輔助化學除磷去除的磷量,mg/L;
PEST——二沉池出水總磷實測濃度,mg/L;
PER——污水處理廠出水允許總磷濃度,mg/L?
2)設計中的污水處理廠
根據磷的物料平衡可得: PPrec=PIAT-PER-PBM-PBioP
(6) 式中
PIAT——生化系統進水中總磷設計濃度,mg/L;
PBM ——通過生物合成去除的磷量,PBM= 0.01CBOD,IAT,mg/L;
CBOD,IAT——生化系統進水中BOD5實測濃度,mg/L;
PBioP——通過生物過量吸附去除的磷量,mg/L?
PBioP值與多種因素有關,德國 ATV-A131標準中推薦PBioP的取值可根據如下幾種情況進行估算:
(1)當生化系統中設有前置厭氧池時,PBioP可按(0.01~0.015)CBOD,IAT進行估算?
(2)當水溫較低?出水中硝態氮濃度≥15mg/L,即使設有前置厭氧池,生物除磷的效果也將受到一定的影響,PBioP可按(0.005~0.01)CBOD,IAT進行估算?
(3)當生化系統中設有前置反硝化或多級反硝化池,但未設厭氧池時,PBioP可按≤0.005CBOD,IAT進行估算?
(4)當水溫較低,回流至反硝化區的內回流混合液部分回流至厭氧池時(此時為改善反硝化效果將厭氧池作為缺氧池使用),PBioP可按≤0.005CBOD,IAT進行估算?
反滲透計算公式







水泵計算公式
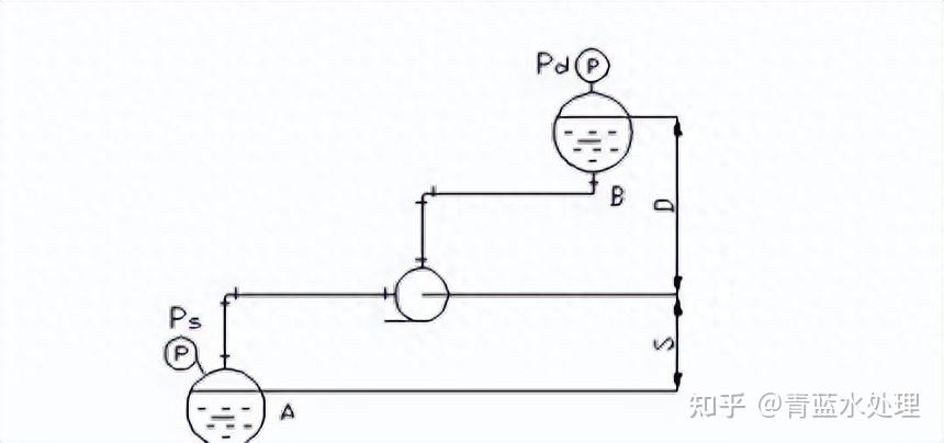
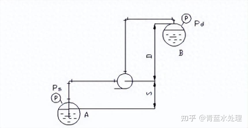
泵的揚程計算是選擇泵的重要依據,這是由管網系統的安裝和操作條件決定的。計算前應首先繪制流程草圖,平、立面布置圖,計算出管線的長度、管徑及管件型式和數量。
一般管網如下圖所示,(更多圖例可參考化工工藝設計手冊)。
D——排出幾何高度,m;
取值:高于泵入口中心線:為正;低于泵入口中心線:為負;
S——吸入幾何高度,m;
取值:高于泵入口中心線:為負;低于泵入口中心線:為正;
Pd、Ps——容器內操作壓力,m液柱(表壓);
取值:以表壓正負為準
Hf1——直管阻力損失,m液柱;
Hf2——管件阻力損失,m液柱;
Hf3——進出口局部阻力損失,m液柱;
h ——泵的揚程,m液柱。

h=D+S+hf1+hf2+h3+Pd-Ps

h= D-S+hf1+hf2+hf3+Pd-Ps

h= D+S+hf1+hf2+hf3+Pd-Ps
計算式中各參數符號的意義↓

某些工業管材的ε約值見下表↓

管網局部阻力計算 ↓

常用管件和閥件底局部阻力系數ζ↓

隔油池計算公式
01
設計基準
- 可能分離的油的最小粒徑:d≥15μm;
- 油的密度:ρ=0.92~0.95g/cm3;
- 隔油池水平流速:v≤0.9m/min,且不大于油滴上浮速度的15倍;
- 池子的尺寸范圍:深度0.9~2.4m;寬度1.8~6.1m;深度/寬度0.3~0.5;安全系數k=1.6。
02
計算
過水斷面積A:A=Q/v,m2(1)式中:
Q——處理水量,m3/min;
v——水平流速,m/min;
v≤15u (2)

式中
G——重力加速度,980cm/s2
ρ油——油的密度,g/cm3
ρ水——水的密度,g/cm3
d——油滴粒徑,一般取0.015cm
μ——動力粘度系數,(g·s)/cm2,當水溫為20℃時μ=0.0102
u——油滴上浮速度,m/min
池子寬度B和有效水深h1,按設計基準取下限值,然后校核Bh1≥A,否則重新設定B、h1值。
池總長度 L=L1+L2+L3+L4
式中
L1——布水槽寬度,一般取0.5~0.8m;
L2——油水分離區有效長度,m;
L2=kvt,m (3-5-39)
式中
t——沉淀時間,min
t=h1/u (3-5-40)
其他符號同前
L3——集水槽寬度,一般取0.8m;
L4——吸水井寬度,m。
吸水井有效容積大于排水泵5min排水量。
03
浮上油的處置
浮油經撇油管收集,自流出水外。在浮油量不 大,來水比較穩定時,可在池外用油桶接受,否則 需設貯油坑,坑頂面高度與隔油池頂相平。對溫度 低時粘度較大的浮油,貯油坑里可設蒸汽加熱。

1—料斗;2—定量給料器;3—溶解溶液桶;
4—攪拌機;5—計量泵;6—Y型過濾器
客服熱線:











