離心式壓縮機軸承為滑動軸承,根據承受載荷的不同分為徑向軸承和止推軸承兩類。徑向軸承的作用是承受轉子重量和其他附加徑向力,保持轉子轉動中心和氣缸中心一致,并在一定轉速下正常旋轉。止推軸承的作用是承受轉子的軸向力,限制轉子的軸向竄動,保持轉子在氣缸中的軸向位置。
滑動軸承按其工作原理又分為靜壓軸承和動壓軸承。
靜壓軸承是利用液壓系統供給壓力油于軸頸與軸承之間。使軸頸與軸承分開,從而保證軸承在各種載荷和轉速之下都完全處在液體摩擦之中。因此靜壓軸承具有較高的承載能力、摩擦阻力小、壽命高等優點,但必須具有一套完整的供油液壓系統。
動壓軸承工作依靠軸頸本身的旋轉,把潤滑油帶入軸頸與軸瓦之間,形成楔狀油楔,油楔受到負荷的擠壓而產生油壓將軸頸與軸瓦內壁分開,軸頸與軸瓦形成油膜處于液體摩擦狀態,如圖1所示,減少了摩擦與磨損,從而使軸轉動輕巧靈活。
離心壓縮機目前廣泛采用的是動壓軸承。常見的各種動壓軸承介紹如下。

圖1 動壓軸承工作原理
01 徑向軸承
徑向軸承的結構形式很多,目前比較常用的是圓瓦軸承、橢圓瓦軸承和可傾瓦軸承。
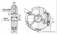
(1)圓瓦軸承 如圖2所示為圓瓦軸承,上下兩半瓦由螺釘 5 連接在一起,為保證上下瓦對正,中心設有銷釘。軸瓦內孔澆鑄巴氏合金。軸頸放在軸瓦上時,軸承頂隙等于兩側隙之和。軸頸和軸瓦的接觸角不小于60°~70°,在此區域內保證完全接觸。潤滑油經由下軸瓦墊片4上的孔進入軸瓦并由軸頸帶入油楔,經由軸承的兩端而泄入軸承箱內。一般潤滑油壓力為0.039~0.049MPa (表壓)。墊塊1和3保證軸瓦在軸承殼中定位及對中,可以通過磨削墊片2和4來調整軸承的位置。圓瓦軸承多用于低速、重載的離心式壓縮機上。

圖2 圓瓦軸承
1,3一墊塊;2,4一墊片;5一螺釘;6一銷釘
(2)橢圓瓦軸承 橢圓瓦軸承的軸瓦內表面呈橢圓形,軸承側隙大于或等于頂隙,一般頂隙為軸徑d的(1~1.5)/1000,側隙為軸徑d的(1~3)/1000。軸頸在旋轉中形成上下兩部分油膜(圖3),這兩部分油膜的壓力產生的合力與外載荷平衡。與圓瓦軸承相比穩定性好,在運轉中若軸向上晃動,則上面的間隙變小,油膜壓力變大,下面的間隙變大,油膜壓力變小,兩部分力的合力變化會把軸頸推回原來的位置,使軸運轉穩定;同時由于其側隙比圓柱軸承側隙大,所以沿軸向流出的油量大,散熱好,軸承溫度低。

圖3 橢圓瓦軸承
這種軸承的承載能力比圓瓦軸承低,由于產生上下兩個油膜,功率消耗大,在垂直方向抗振性好,但水平方向抗振性差些。
(3)可傾瓦軸承 又稱傾斜塊式徑向軸承。可傾瓦軸承主要由軸承套、兩側油封和可以自由擺動的瓦塊構成。這種軸承由三個或更多個瓦塊所組成,一般是五塊瓦,軸瓦可以擺動。如圖4所示為五油楔傾斜塊式徑向軸承,沿軸頸的周圍均勻分布五個瓦塊,各自可以繞自身的一個支點擺動。在軸頸的正下方有一個瓦塊,以便停機時支承軸頸及冷態時用于找正。每塊瓦的外徑都小于軸承套的內徑。瓦背圓弧與軸承套孔是線接觸,它相當于一個支點。當機組轉速、負荷等運行條件變化時,瓦塊能在套的支承面上自由地擺動,自動調節瓦塊位置,形成最佳潤滑油楔。為了防止軸瓦隨軸頸沿圓周方向一起轉動,每個瓦塊上都用一個裝在殼體上并與軸瓦松配的銷釘或螺釘來定位,圖3中的定位銷在瓦塊中間,也有不在中間的,進油道至定位銷的距離比出口邊至定位銷的距離大。為了防止軸瓦沿軸向和徑向竄動,把瓦塊裝在套內的T形槽中。瓦塊澆注有巴氏合金,巴氏合金厚度為0.8~2.5mm。為保證巴氏合金與瓦塊緊密貼合,在瓦塊上預制出溝槽。軸承套上下水平剖分,安裝在軸承座內,并用螺栓和定位銷釘定位以保證對中,為了防止軸承套轉動,裝有一個徑向定位銷釘。一般情況下,軸承套外徑緊配在軸承座內。也可以把軸承套做成凸球面,裝在軸承座的凹球面的支承上與其相吻合,從而軸承套可以自動調位,以適應軸的彎曲和軸頸不對中時所產生的偏斜。軸承的進油口數各不一樣,有的軸承只有一個進油孔,有的軸承采用瓦塊與瓦塊間都有進油孔,但總是布置在不破壞油膜的地方。潤滑油沿軸向排出去。在軸承兩端的殼體上有一個與凹槽相通的排油孔,潤滑油集中到凹槽中,經過排油孔流回油箱,也有的從上方排油孔排出。可傾瓦軸承與其他軸承相比,其特點是由多塊瓦組成,每一瓦塊都可以擺動,因而使可傾瓦軸承在任何情況下都有利于形成最佳油膜,不易產生油膜振蕩。

圖4 五油楔傾斜塊式徑向軸承
1—瓦塊;2一上軸承套;3—螺栓;4—圓柱銷;5—下軸承套;6—定位銷釘;7一進油節流環
02 止推軸承
止推軸承如圖5所示,止推盤與止推塊之間具有一定的間隙,并且止推塊可以擺動。當止推盤隨軸高速旋轉時,潤滑油被帶入止推盤和止推塊的間隙中,從而產生油壓來平衡軸向力,同時形成油膜使止推盤與止推塊處于液體摩擦狀態,以減少其摩擦,保證止推軸承正常運行。
止推軸承的結構形式較多,在離心式壓縮機上目前廣泛采用的是金斯泊爾軸承和米契爾軸承。

圖5 止推軸承
1—止推盤;2-止推塊
(1)金斯泊爾軸承 如圖6 所示,它的活動部分是由扇形止推塊1、上搖塊2、下搖塊3 三層零件疊成,故又稱浮動疊層式止推軸承。其扇形止推塊底部鑲有硬質合金做成的支承面,它支承在上搖塊上可以自由擺動,上搖塊則支在下搖塊上,下搖塊本身又可在殼內擺動,它們彼此間均能作相對擺動,因此能更好地保證各塊扇形止推塊自動調位,受力更為均勻。

圖6 金斯泊爾止推軸承
1—扇形止推塊;2一上搖塊;3一下搖塊
金斯泊爾軸承承載能力大,允許推力盤有較高的線速度,磨損較慢,使用壽命長,更適宜用于高速重載的離心式壓縮機中。其缺點是軸向尺寸較大,制造工藝較復雜。
這種軸承在高速、高壓的離心壓縮機中采用比較廣泛。我國大型化肥廠進口的合成氨壓縮機及二氧化碳壓縮機中都采用這種軸承。
(2)米契爾軸承 如圖7所示為米契爾止推軸承和徑向軸承組成的徑向止推軸承。米契爾止推軸承主要由止推盤20和止推塊14組成。止推盤20裝在軸上隨軸轉動,沿圓周方向均勻分布的單層扇形止推塊14(一般6~12塊)和螺釘9一起裝在半圓套環10及薄環11之間,半圓套環10和薄環11由螺釘連接在一起。單層扇形止推塊14通過塊下的球面支點(圖中是通過螺釘9頭上的球面)與薄環11接觸,將軸向力傳到軸承座上,扇形止推塊上面澆有巴氏合金,它底部的球面支承使止推塊能自動調位,形成適宜的油膜。米契爾軸承裝在上軸瓦16和下軸瓦21內。
徑向軸承左側也澆有巴氏合金,既能防止軸肩與軸瓦相摩擦,又能避免壓縮機在開車時,因氣體沖力而產生的轉子向高壓側竄動現象。徑向軸承的徑向位置可以通過改變軸向墊塊17、18的厚度來調整,并可以用調節墊片2進行對中。潤滑油由墊塊3的油孔4進入軸承,并沿軸瓦水平剖分面處的油槽進入徑向軸承和止推軸承。由于米契爾止推軸承的止推塊直接與薄環接觸,因此止推塊之間受力不均勻。

圖7 米契爾止推軸承和徑向軸承組成的徑向止推軸承
1,3—墊塊;2—調節墊片;4—油孔;5—銷釘;6,8—螺母;7,9,12,15,19—螺釘;10—半圓套環;11一薄環;13—密封環;14—單層扇形止推塊;16—上軸瓦;17,18—軸向墊塊;20—止推盤;21—下軸瓦
鍋爐之家客服熱線:











