
1、電動恒流量調節閥的安裝說明
(1)安裝時保證閥體上箭頭方向與水流量方向一致,不得反向安裝;
(2)保證閥門水平安裝,電動執行機構朝向上方,安裝位置上方留出與該規格閥門相同高度的空間,便于清理與維護;
(3)運行當中,應保持水質符合使用要求;
(4)為保證電動恒流量調節閥正常運行,在其前后應安裝可靠的關斷閥門,以便發生堵塞后,及時拆卸清理與維護。
(5)電動恒流量調節閥參數表
| 型號 | 規格 | 流量范圍m3/h | 外形尺寸mm | 重量kg | ||
| 長 | 全高 | 法蘭中心至執行器頂端高度 | ||||
| DHL3-4B1.6 | DN40 | 0.8~8 | 200 | 420 | 350 | 14 |
| DHL3-4B1.6 | DN50 | 1~10 | 230 | 435 | 355 | 17 |
| DHL3-4B1.6 | DN65 | 1.5~15 | 290 | 486 | 395 | 25 |
| DHL3-4B1.6 | DN80 | 2~25 | 310 | 510 | 410 | 31 |
| DHL3-4B1.6 | DN100 | 3~35 | 350 | 540 | 430 | 44 |
| DHL3-4B1.6 | DN125 | 5~50 | 400 | 625 | 470 | 75 |
| DHL3-4B1.6 | DN150 | 8~80 | 480 | 635 | 490 | 100 |
| DHL3-4B1.6 | DN200 | 15~160 | 496 | 700 | 500 | 152 |
| DHL3-4B1.6 | DN250 | 30~300 | 622 | 800 | 550 | 240 |
| DHL3-4B1.6 | DN300 | 45~450 | 788 | 900 | 600 | 370 |


2、電動恒流量調節閥調試方法
(1)電動執行機構類型:
電源電壓:AC220V、DC24V、AC24V;
輸入信號類型:DC4~20mA、DC0~10V、AC220V(脈沖/開關信號);
閥位反饋信號類型:DC4~20mA、DC0~10V、1000Ω/1500Ω。
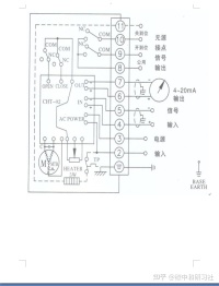
(2)按照電動執行機構的接線圖,將電源線、出入信號線、輸出信號線連接到指定端子;下圖為開關型電動執行器的接線圖,實際操作接線時,依據位于電動執行器上蓋內部的接線圖進行接線操作。

(3)向執行器出入開度信號,觀察執行器是否正常旋轉,閥位反饋是否正常顯示。
3、電動恒流量調節閥的清理及維修步驟
(1)斷開電源,由專業人員操作;
(2)做標識(確定上蓋與閥體的對應位置),拆下緊固上蓋螺絲,旋緊壓蘭并輕振上蓋,使上蓋與閥體分離,抓住執行機構提起上蓋及上閥瓣,注意不要把聯軸器與執行機構脫離,同時檢查上閥瓣的取壓孔是否堵塞;
(3)輕振波紋管中心螺絲使閥芯活動,抓緊波紋管提出閥芯,擰下波紋管中心螺絲,退出下閥瓣,清理污垢,使閥芯活動自如即可(注意下閥瓣軸頂端是否有墊),安裝時注意定位槽位置。
(4)安裝完畢后,旋緊上蓋螺栓,在壓蘭螺紋處涂抹黃脂油,然后旋緊壓蘭。
(5)確定執行器與閥體的相對位置,執行器帶手動搖桿插孔的端面與閥體標識面同向;
(6)將執行器與閥體組合前,應把執行器和閥體同時調節到最大開度或最小開度,方便執行器與閥軸連接對位;
(7)旋緊執行器聯軸器與閥軸定位的螺栓,減小轉角偏差,提高控制精度。

電動恒流量調節閥示意圖
附件、調節型電動執行器接線圖

客服熱線:











